SKU:10TGSSC
Metal-Fab All-Fuel Temp/Guard 10" Stainless Storm Collar
Metal-Fab All-Fuel Temp/Guard 10" Stainless Storm Collar
Couldn't load pickup availability
- Free Shipping on Orders Over $400
- Same-Day Order Processing
- Easy Monthly Installments Starting at 0% APR*
• Text or call 888-992-1556
• Email support@usfireplacestore.com
• Start a live chat
Our team is available to serve you 8:00 AM - 11:59 PM ET, 7 days a week.
The perfect companion to Temp/Guard All-Fuel Chimney products. Stovepipe products include a durable flat-matte black finish creating a finished product different from the competition. Double-wall stovepipe features a laser-welded stainless steel flue and heavy-duty 24-gauge steel casing, maximizing safety during operation and providing a clean appearance and installation.
What's Included
- 10" Stainless Storm Collar
Features
- Stainless Steel
- Aluminum or stainless steel materials are recommended for oil and coal applications.
- Made in high-quality material
Specifications
| Model | 10TGSSC |
| Application | Factory-built double wall chimney for use with listed wood, coal, oil or gas-fired appliances. |
| Listings/Standards | NFPA 211 UL 103HT |
| Material | Stainless |
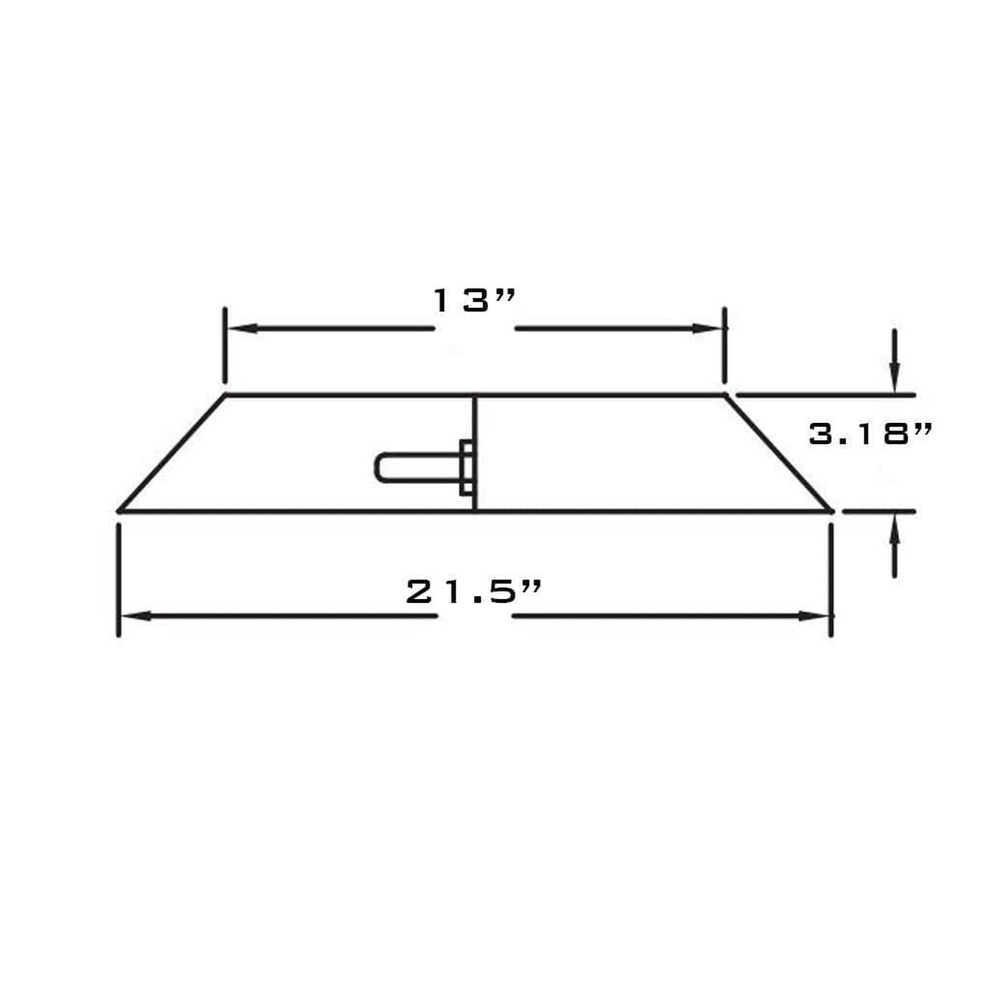
| Diameter | 13" - 21.5" |
| Height | 3.18" |
| Width | 21.5" |
| Color | Silver |
Technical Drawings & Dimensions

Warranty

The Metal-Fab TEMP GUARD factory-built chimneys, when installed according to the manufacturer's instructions, as prescribed by Underwriters Laboratories Standard 103HT, and when properly and regularly cleaned and maintained as set forth below, are warranted by Metal-Fab Inc. under normal residential use against defects in
material or workmanship of the product for parts only for as long as the original consumer owns the chimney system. During the first ten years of the warranty, Metal-Fab will provide replacement chimney lengths at no charge. During the balance of the warranty, Metal-Fab will provide replacement chimney lengths at 50% of the current retail price in effect at the time of the warranty claim. The defective part(s) must be returned with all transportation charges prepaid by the owner to the Customer Service Department, Metal-Fab Inc., 3025 May Avenue, Wichita, Kansas 67213. Metal-Fab Inc. will in turn ship the repaired or replacement part to the owner, and freight collect, with the owner to be responsible for all freight charges. This warranty does not cover any labor or other service charges incurred by the owner, or any parts not manufactured by Metal-Fab Inc.
Click to see Full Warranty Details
It is the OWNER'S RESPONSIBILITY to establish:
- the date of the original installation of the product;
- the name of the original purchaser;
- the name of the installer;
- that the product was installed according to manufacturer's instructions; and
- that the product was properly cleaned and serviced once each year by a licensed chimney sweep.
Disclaimers and Exclusions
The following shall be applicable to those products of Metal-Fab Inc. described above:
- The warranty described hereinabove shall be IN LIEU of any other warranty, express or implied. Except as set out hereinabove, there are NO other warranties and any statutory or implied warranty of MERCHANTABILITY or fitness for a particular purpose is EXCLUDED from this transaction and shall not apply.
- The sole and exclusive remedy against Metal-Fab Inc. shall be for the repair or replacement of defective parts as provided hereinabove. NO OTHER REMEDY (including, but not limited to, incidental or consequential damages for lost profits, lost sales, injury to person or property, or any other incidental or consequential loss) shall be available. The sole purpose of the stipulated exclusive remedy provided for herein, shall be the repair and replacement of defective parts in the manner provided hereinabove. This exclusive remedy shall not be deemed to have failed of its essential purpose so long as Metal-Fab Inc. is willing and able to repair or replace defective parts in the prescribed manner.
- The owner shall not be required to deliver a defective part to Metal-Fab Inc. if:
- The part was destroyed as a result of its defect or any defect in any part covered in this warranty; and
- Metal-Fab Inc. is reasonably satisfied that the part was defective at the time of sale.
- The owner acknowledges that no oral statements purporting to be warranties, representations, or guarantees of any kind about any product of Metal-Fab Inc. have been made to owner by Metal-Fab Inc. by the original purchaser if different from the owner, or by its dealer which in any way expands, alters or modifies the terms of the warranty set out herein. Any such statements do not constitute warranties, shall not be relied on by the owner, and are not part of the contract of sale. This writing constitutes a complete and exclusive statement of the terms of any warranty, express or implied, of Metal-Fab Inc.
- There is NO WARRANTY for any defective part of a Metal-Fab product which has been removed from its original installation site or which, in the judgment of Metal-Fab Inc., arises from misuse, mishandling, neglect, chimney fire, flood, lightning, corrosive atmosphere, improper installation of the product, improper servicing of the product, unauthorized modification of the product, improper fuel supply to the product, or the failure of the installer to properly install or service the product as is set out in the installation instructions.
Documents & Files

What our customers are saying...
-
Researched and ordered my fireplace from US FIreplace Store. Pricing was a fair value however, the customer service was EXCELLENT! I had an issue with the direct vent venting. I called US Fireplace and the correct items were sent out the next day AND Janessa stayed on top of my return authorization and sent me the permissions and documents I needed to return the incorrect item and no cost to me, including return shipping. Overall, I am a very satisfied customer and my fireplace looks and operates flawlessly. I am glad that I selected US FIreplace to source my direct vent fireplace. Thank you for the great service.
Clay
Monteagle, TN
-
I had placed an order, through Lowe's Home Improvement, for an Electric Firebox: Revillusion RBF42. Ordered 1st part of January. Was told I would have it in 3 weeks. When checking to see is it came in, was told it was delayed to 3/15. Was then told is was delayed until 4/25. Waited until 4/27 to check on it. Was then told it was now delayed until August. This firebox was going in a new Sun Room addition. I could not get my final inspection until the Firebox was installed. I went on line and googled for this same product. US Fireplace Store web site was given to me. This was on a Saturday. I call and reached a very nice man. Explain what I was look for. He checked and told me they had 30 of them in stock. I almost fell out of my chair. I clarified with him the product I was wanting. I ask how soon could I get it. He told me it would ship today. Again, was amazed. It arrived on the following Monday. What a pleasure and a relief working with US Fireplace Store and their employees. Exceed my expectations.
Thomas W.
Fort Mill, SC
-
Great prices, quick delivery and fast hassle free services on the issue I encountered. I had purchased an electric fireplace unit that would not fit into the existing fireplace space. With one email I was able to get the wrong fireplace refunded and picked up at my home at no extra cost and the new one I purchased and delivered free of charge. Great company.
John P.
Denvers, MA
Chosen by over 25,000 households, builders, and businesses
Why US Fireplace Store
-
100,000+ Products
America's largest selection of hearth & heating products. Fireplaces, stoves, fire pits, heaters, log sets and more.
-
Easy Returns
Need to return the merchandise? We accept returns for 30 days from the date of delivery.
-
Live Chat Support
No chatbots. Speak with a human. Average response time is 48 seconds.
-
7 Days/Week Service
We're here to help on live chat, email & phone. 8:00 AM - 11:59 PM Eastern Time.
-
Pay Over Time
0% APR is available for 3 and 12- month financing.* See if you prequalify today.
-
Staff Picks
Check out the Staff Picks collection. See the top products selected by our team.